Back
Offbeat Corgi
get $120 AliExpress mini PC plugged in iPad as external monitor and install sunshine to stream to my mac and control with moonlight #homelab
flash xiao nrf52840 with rust embassy code for some async blinking #hardware
flash a hello world in rust on a nrf52840 xiao seed studio using adafruit-nrfutil cause probe-rs requires jlink
run Rust embassy framework on STM32 using probe-rs and make blink on push button #hardware
soft-brick atmega168a by setting wrong fuse bit to external clock but i dont have external clock. need to reset it by simulating an external clock or something #hardware
blink LED on AVR with Rust bare metal #hardware
write text with library ssd1306 and adapt text based and button pressed and UPPERCASE with shift pressed #hardware
test screen with stm32 no library just a line to see if it works #hardware
program STM32 first time with STM32CubeIDE and prototype navigation button + shift button #hardware
prototype web midi app for syncing drops when jamming by counting midi clock and bars drop.marcantoine.io
solder an AVR ISP board with a DIP socket run by arduino pro micro so I can plug in a an atmega168a and programming it easily #hardware
redesign 9 LED breakout board with basic part and 1 resistor per LED and order from JLCPCB #hardware
design breakout board PCB with easyEDA for encoder and LED multiplexing but i need to redo to use more common parts #hardware
prototype 9 LEDs matrix with multiplexing with CD74HC595 to control each of the 9 leds with only 3 digital pins. #hardware
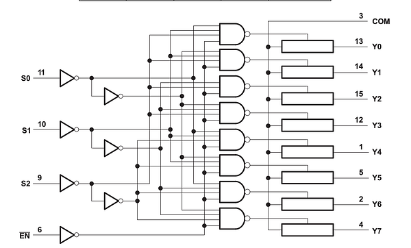
prototype 4 pots with multiplexer to get all pots values with only 1 analog pin #hardware
receive first custom pcb for potentiometer and encoder prototyping from jlcpcb #hardware
managed to use arduino pro micro as programmer for atmega168a #hardware
teardown midi controller to reverse engineer and it uses a XMEGA128A4U #hardware
solder pin headers to Arduino pro micro first time #hardware
connect OLED display to arduino uno and ESP32 #hardware
Home
Search
Messages
Notifications
More